Aktuelle Promotionen

GW Instek
Wir haben jetzt ein Demogerät GDS-207 für Sie zum Test und zur Evaluation. Alle GDS-200 und GDS-300 Handheld Oszilloskope können wir Ihnen ab sofort 30% günstiger anbieten. Das GDS-207 mit 70 MHz Bandbreitei und 1 GS/s bei 1 MS Speicher erhalten Sie schon ab Sfr. 895.- . Zögern Sie nicht ein Angebot anzufordern.
Teledyne LeCroy
Spectrum Analyzer zu HDO4000 Oszilloskop - Diese Software Option kommt zu jedem HDO4000 kostenlos hinzu.Möchten Sie die Vorzüge von 12-bit Oszilloskopen mit dieser Sepctrum-Software testen?
Teledyne LeCroy

WaveSurfer 3000 Oszilloskop Promotionen

- EMB - Dekodieren und Triggern der Bus-Signale I2C, SPI, UART und RS232
- AUTO - Dekodieren und Triggern der Bus-Signale CAN und LIN
- FG - 1-Kanal Funktions- und Arbiträrgenerator

Testen Sie mich! Fordern Sie eine Gratis-Demo an.

 
 
GW Instek
Wir haben jetzt ein Demogerät GDS-207 für Sie zum Test und zur Evaluation. Alle GDS-200 und GDS-300 Handheld Oszilloskope können wir Ihnen ab sofort 30% günstiger anbieten. Das GDS-207 mit 70 MHz Bandbreitei und 1 GS/s bei 1 MS Speicher erhalten Sie schon ab Sfr. 895.- . Zögern Sie nicht ein Angebot anzufordern.
1
Teledyne LeCroy
Spectrum Analyzer zu HDO4000 Oszilloskop - Diese Software Option kommt zu jedem HDO4000 kostenlos hinzu.Möchten Sie die Vorzüge von 12-bit Oszilloskopen mit dieser Sepctrum-Software testen?
2
Teledyne LeCroy

WaveSurfer 3000 Oszilloskop Promotionen

- EMB - Dekodieren und Triggern der Bus-Signale I2C, SPI, UART und RS232
- AUTO - Dekodieren und Triggern der Bus-Signale CAN und LIN
- FG - 1-Kanal Funktions- und Arbiträrgenerator

Testen Sie mich! Fordern Sie eine Gratis-Demo an.

3

Tameq AppNote-Oszilloskop-LabVIEW-Read ASCII-Waveform in Excel Time & Amplitude from File (D)

Einführung

Teledyne LeCroy Oszilloskope können Kurven in verschiedenen Formaten abspeichern und exportieren. In diesem Artikel wird eine Lösung vorgestellt, wie die Messdaten gespeichert in einer Datei im Format ASCII, Excel, Time & Amplitude in LabVIEW gelesen und zeitlich korrekt dargestellt werden.

Abbildung 1 – Waveform, die als ASCII-Kurve im Excel-Format Time & Amplitude abgespeichert wird. 
Abbildung 1 – Waveform, die als ASCII-Kurve im Excel-Format Time & Amplitude abgespeichert wird.

Teledyne LeCroy ASCII Excel Time & Amplitude (csv-Format)

Die Datei mit einem Path-Control anwählen, die ASCII-Datei öffnen und die Daten einlesen in eine Zeichenkette.

Abbildung 2 - ASCII-Datei öffnen in LabVIEW
Abbildung 2 - ASCII-Datei öffnen in LabVIEW

Header interpretieren

Anschliessend muss der Header interpretiert werden, der vor den Kolonnen Time und Amplitude steht. Bekannte Grössen der Kurve werden in die Waveform Properties gespeichert. Die Waveform Properties sind die umfassenden Eigenschaften einer LeCroy Binary Waveform.

Der Timestamp muss aus der Zeitinformation extrahiert werden und anschliessend wird mit derselben Information ein LabVIEW-Timestamp gebildet, der als t0 einem Waveform Graph übergeben wird.

Abbildung 3 – Die Waveform Header Information wird interpretiert und in den Waveform Properties abgelegt.
Abbildung 3 – Die Waveform Header Information wird interpretiert und in den Waveform Properties abgelegt.

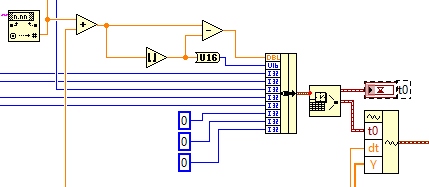
LeCroy Timestamp anpassen an LabVIEW Timestamp

Beim LeCroy Oszilloskop ist der Trigger-Zeitpunkt in der Bildschirm-Mitte. Beim LabVIEW Wavefrom Graph ist der Nullpunkt der Beginn des Graphen am linken Ende. Wenn aus einem LeCroy Timestamp ein LabVIEW Timestamp geformt wird, dann setzt LabVIEW diesen Zeitpunkt an den Nullpunkt, an den Beginn der Kurve. Der LeCroy Timestamp hat den Nullpunkt aber in der Bildmitte und dieser zeitliche Versatz muss korrigiert werden. Das wird im folgenden Bild gezeigt, wo der Zeitversatz zu den Sekunden hinzuaddiert wird.

Abbildung 4 – Korrektur des LabVIEW Timestamp mit dem Horizontal Offset des LeCroy Timestamps
Abbildung 4 – Korrektur des LabVIEW Timestamp mit dem Horizontal Offset des LeCroy Timestamps

Zeitlich korrekte Darstellung im LabVIEW Waveform Graph

Auch wenn der LabVIEW Timestamp nun korrekt die Zeit t0 repräsentiert, so stellt der LabVIEW Waveform Graph die X-Achse noch nicht so dar, wie der Oszilloskop-Anwender das erwartet. Die Horizontal-Verschiebung muss dem Waveform Graph explizit mitgeteilt werden. Dies passiert mit der Property Node XScaleOffset. Erst jetzt wird die mit dem Oszilloskop gespeicherte ASCII-Kurve auch so dargestellt im LabVIEW Waveform Graph.

Abbildung 5 – LabVIEW Waveform Graph mit skalierter Zeitachse
Abbildung 5 – LabVIEW Waveform Graph mit skalierter Zeitachse

Das folgende Bild zeigt das LabVIEW-GUI, mit dem eine Datei angewählt werden kann und nach dem Ausführen die Kurve, die Daten im Array und einige Grössen in den Waveform Properties.

Abbildung 6 – LabVIEW-GUI zum Datenimport einer ASCII-Kurve in Excel Time & Amplitude 
Abbildung 6 – LabVIEW-GUI zum Datenimport einer ASCII-Kurve in Excel Time & Amplitude

Der beigefügte LabVIEW-Code kann nach Bedarf angepasst werden. Das Beispiel wurde gespeicher in LabVIEW 2015.


Das ist eine Applikations-Schrift mit Source-Code von Tameq - Test & Measurement Equipment