Aktuelle Promotionen

GW Instek
Wir haben jetzt ein Demogerät GDS-207 für Sie zum Test und zur Evaluation. Alle GDS-200 und GDS-300 Handheld Oszilloskope können wir Ihnen ab sofort 30% günstiger anbieten. Das GDS-207 mit 70 MHz Bandbreitei und 1 GS/s bei 1 MS Speicher erhalten Sie schon ab Sfr. 895.- . Zögern Sie nicht ein Angebot anzufordern.
Teledyne LeCroy
Spectrum Analyzer zu HDO4000 Oszilloskop - Diese Software Option kommt zu jedem HDO4000 kostenlos hinzu.Möchten Sie die Vorzüge von 12-bit Oszilloskopen mit dieser Sepctrum-Software testen?
Teledyne LeCroy

WaveSurfer 3000 Oszilloskop Promotionen

- EMB - Dekodieren und Triggern der Bus-Signale I2C, SPI, UART und RS232
- AUTO - Dekodieren und Triggern der Bus-Signale CAN und LIN
- FG - 1-Kanal Funktions- und Arbiträrgenerator

Testen Sie mich! Fordern Sie eine Gratis-Demo an.

 
 
GW Instek
Wir haben jetzt ein Demogerät GDS-207 für Sie zum Test und zur Evaluation. Alle GDS-200 und GDS-300 Handheld Oszilloskope können wir Ihnen ab sofort 30% günstiger anbieten. Das GDS-207 mit 70 MHz Bandbreitei und 1 GS/s bei 1 MS Speicher erhalten Sie schon ab Sfr. 895.- . Zögern Sie nicht ein Angebot anzufordern.
1
Teledyne LeCroy
Spectrum Analyzer zu HDO4000 Oszilloskop - Diese Software Option kommt zu jedem HDO4000 kostenlos hinzu.Möchten Sie die Vorzüge von 12-bit Oszilloskopen mit dieser Sepctrum-Software testen?
2
Teledyne LeCroy

WaveSurfer 3000 Oszilloskop Promotionen

- EMB - Dekodieren und Triggern der Bus-Signale I2C, SPI, UART und RS232
- AUTO - Dekodieren und Triggern der Bus-Signale CAN und LIN
- FG - 1-Kanal Funktions- und Arbiträrgenerator

Testen Sie mich! Fordern Sie eine Gratis-Demo an.

3

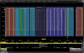
Teledyne LeCroy HDO4000-CAN FD-Bus Serielle Dekodierung und Triggerung


  • Umfangreiche CAN FD-Triggerung, -Dekodierung und Protokollmessungen in einem Instrument
  • Flexible CAN FD-Triggerung enthält:
    – CAN Daten
    – Remote Frames
    – Error Frames
  • Unterstützt CAN FD-Signale mit Bitraten von 0.5 kb/s bis zu 10 Mb/s


Preise (exkl. MWSt):

Sfr. 4'085.-

 

CAN FD-Bus TD kombiniert die Standard-Möglichkeiten eines Teledyne LeCroy Oszilloskopes mit CAN FD-Bus Triggerung und -Protokolldekodierung in einem Testsystem. Mit dieser Lösung ist es sehr einfach, auf einem Bildschirm spezifische CAN-Nachrichten oder Fehler festzuhalten, Datenprotokolle anzuzeigen und das CAN Signal oder analoge Kurven darzustellen. Es war nie einfacher, Systemprobleme und -Leistung zu untersuchen und zu verstehen. Das Teledyne LeCroy HDO4000 Oszilloskop mit CAN FD-Bus TD ist die ideale Lösung zur Lokalisierung von CAN-Bus Anomalien und zum Debuggen von Controllern und Systemen.