Aktuelle Promotionen

GW Instek
Wir haben jetzt ein Demogerät GDS-207 für Sie zum Test und zur Evaluation. Alle GDS-200 und GDS-300 Handheld Oszilloskope können wir Ihnen ab sofort 30% günstiger anbieten. Das GDS-207 mit 70 MHz Bandbreitei und 1 GS/s bei 1 MS Speicher erhalten Sie schon ab Sfr. 895.- . Zögern Sie nicht ein Angebot anzufordern.
Teledyne LeCroy
Spectrum Analyzer zu HDO4000 Oszilloskop - Diese Software Option kommt zu jedem HDO4000 kostenlos hinzu.Möchten Sie die Vorzüge von 12-bit Oszilloskopen mit dieser Sepctrum-Software testen?
Teledyne LeCroy

WaveSurfer 3000 Oszilloskop Promotionen

- EMB - Dekodieren und Triggern der Bus-Signale I2C, SPI, UART und RS232
- AUTO - Dekodieren und Triggern der Bus-Signale CAN und LIN
- FG - 1-Kanal Funktions- und Arbiträrgenerator

Testen Sie mich! Fordern Sie eine Gratis-Demo an.

 
 
GW Instek
Wir haben jetzt ein Demogerät GDS-207 für Sie zum Test und zur Evaluation. Alle GDS-200 und GDS-300 Handheld Oszilloskope können wir Ihnen ab sofort 30% günstiger anbieten. Das GDS-207 mit 70 MHz Bandbreitei und 1 GS/s bei 1 MS Speicher erhalten Sie schon ab Sfr. 895.- . Zögern Sie nicht ein Angebot anzufordern.
1
Teledyne LeCroy
Spectrum Analyzer zu HDO4000 Oszilloskop - Diese Software Option kommt zu jedem HDO4000 kostenlos hinzu.Möchten Sie die Vorzüge von 12-bit Oszilloskopen mit dieser Sepctrum-Software testen?
2
Teledyne LeCroy

WaveSurfer 3000 Oszilloskop Promotionen

- EMB - Dekodieren und Triggern der Bus-Signale I2C, SPI, UART und RS232
- AUTO - Dekodieren und Triggern der Bus-Signale CAN und LIN
- FG - 1-Kanal Funktions- und Arbiträrgenerator

Testen Sie mich! Fordern Sie eine Gratis-Demo an.

3

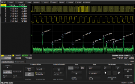
Teledyne LeCroy WaveSurfer 4000HD - Spectrum Analyzer

  • Spektrum Analysatorr Center Frequency und Span Controls für das Oszilloskop
  • Flexible vertikale Skalierung
  • Automatisches Finden der Frequenzspitzen
  • Automatisches Markieren von fundamentaler Frequenz und Harmonischen
  • Spectrogram visualisiert Änderungen im Spektrum vs Zeit in 2D oder 3D Darstellung


Preise (exkl. MWSt):

Sfr. 920.-

 

Mit dem Sepctrum Analyzer Approach der Bedienung wie Span- und Center Frequency bedient sich der Spectrum Analyzer auf dem Teledyne LeCroy Oszilloskop wie ein Spektrumanalysator. Automatisches identifizieren von Frequenzspitzen, von der Fundamentalfrequenz sowie der Harmonischen erleichtert die Arbeit im Frequenzbereich enorm gegenüber der Standard-FFT-Funktion.

Ein Spectogram visualisiert Änderungen im Spektrum in Funktion der Zeit in einer 2D- oder 3D-Darstellung. Zusätzlich bietet die Spectrum Analyzer Software erweiterte FFT-Funktionen wie Power Spectrum Density und Real/Imaginär Frequenz-Analyse.