Aktuelle Promotionen

GW Instek
Wir haben jetzt ein Demogerät GDS-207 für Sie zum Test und zur Evaluation. Alle GDS-200 und GDS-300 Handheld Oszilloskope können wir Ihnen ab sofort 30% günstiger anbieten. Das GDS-207 mit 70 MHz Bandbreitei und 1 GS/s bei 1 MS Speicher erhalten Sie schon ab Sfr. 895.- . Zögern Sie nicht ein Angebot anzufordern.
Teledyne LeCroy
Spectrum Analyzer zu HDO4000 Oszilloskop - Diese Software Option kommt zu jedem HDO4000 kostenlos hinzu.Möchten Sie die Vorzüge von 12-bit Oszilloskopen mit dieser Sepctrum-Software testen?
Teledyne LeCroy

WaveSurfer 3000 Oszilloskop Promotionen

- EMB - Dekodieren und Triggern der Bus-Signale I2C, SPI, UART und RS232
- AUTO - Dekodieren und Triggern der Bus-Signale CAN und LIN
- FG - 1-Kanal Funktions- und Arbiträrgenerator

Testen Sie mich! Fordern Sie eine Gratis-Demo an.

 
 
GW Instek
Wir haben jetzt ein Demogerät GDS-207 für Sie zum Test und zur Evaluation. Alle GDS-200 und GDS-300 Handheld Oszilloskope können wir Ihnen ab sofort 30% günstiger anbieten. Das GDS-207 mit 70 MHz Bandbreitei und 1 GS/s bei 1 MS Speicher erhalten Sie schon ab Sfr. 895.- . Zögern Sie nicht ein Angebot anzufordern.
1
Teledyne LeCroy
Spectrum Analyzer zu HDO4000 Oszilloskop - Diese Software Option kommt zu jedem HDO4000 kostenlos hinzu.Möchten Sie die Vorzüge von 12-bit Oszilloskopen mit dieser Sepctrum-Software testen?
2
Teledyne LeCroy

WaveSurfer 3000 Oszilloskop Promotionen

- EMB - Dekodieren und Triggern der Bus-Signale I2C, SPI, UART und RS232
- AUTO - Dekodieren und Triggern der Bus-Signale CAN und LIN
- FG - 1-Kanal Funktions- und Arbiträrgenerator

Testen Sie mich! Fordern Sie eine Gratis-Demo an.

3

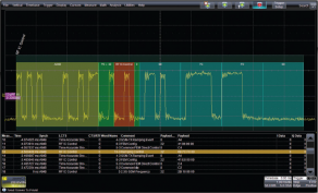
Teledyne LeCroy WSXS-DIG-RF 3G Serielle Dekodierung


  • DigRF v3 Dekodiert
    – Low-speed (6.5 Mb/s)
    – Medium-speed (26 Mb/s)
    – High-speed (312 Mb/s)
  • Konvertiert DigRF 3G I und Q digitale Daten zu entsprechenden analogen Kurven
  • Korreliert analoge Kurven mit Protokoll-Dekodierung auf dem Schirm
  • Anzeigen von dekodierten Daten im Hexadezimal-Format
  • Dekodierte Information vergrössern und verkleinern mit Änderung der Zeitbasis
  • Darstellung in Tabellenform mit schnellem "Zoom to byte"


Preise (exkl. MwSt):

Sfr. 2'140.-

 

Der DigRF G3 Dekodierer ist das ideale Werkzeug für eine leistungsstarkes Debugging auf dem Systemlevel und zum Lösen von Problemem betreffend der Signalqualität. Der DigRF Dekodierer fügt Ihrem LeCroy Oszilloskop eine einmalige Analysesoftware hinzu, die sowohl die Entwicklung als auch das Fehlersuchen von MIPI DigitalRF Systemen stark vereinfacht. Der Dekodierer MIPI DigRF ist sehr intuitiv aufgebaut, verwendet Farbkodierung, die der Kurve überlagert ist und stellt das dekodierte Protokoll auf dem Schirm dar. Entsprechend der horizontalen Zoom-Einstellung können Sie sehr einfach den dekodierten Signalausschnitt wählen.